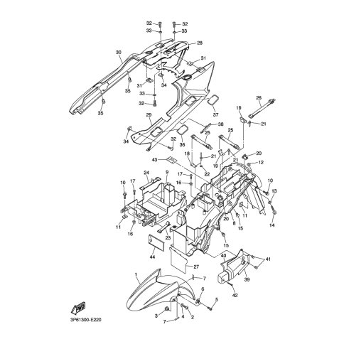
Artikelname: KOTFLUGEL, VORNE (FENDER, FRONT)
Hersteller: Yamaha
OEM Nummer: 3P6-21511-00-P3 (3P62151100P3)
Kategorien: Kotflugel
2007
FJR1300A (FJR1300A)
FJR1300AS (FJR1300AS)
Yamaha Motor Co., Ltd.
YAMAHA MOTOR EUROPE N.V.
Hansemannstraße 12, 41468 Neuss
Postfach 21 06 53, 41432 Neuss
Deutschland
https://global.yamaha-motor.com/
https://www.yamaha-motor.eu/de