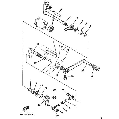
Artikelname: SCHALTSTANGE (ROD, SHIFT)
Hersteller: Yamaha
OEM Nummer: 3TC-18115-00 (3TC1811500)
Kategorien: Schaltwelle
1990
TZ250 (TZ250A)
Yamaha Motor Co., Ltd.
YAMAHA MOTOR EUROPE N.V.
Hansemannstraße 12, 41468 Neuss
Postfach 21 06 53, 41432 Neuss
Deutschland
https://global.yamaha-motor.com/
https://www.yamaha-motor.eu/de