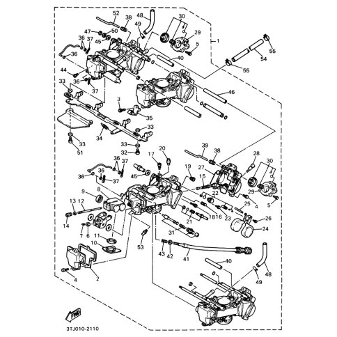
Artikelname: HAUPTDUSE (JET, MAIN (#110))
Hersteller: Yamaha
OEM Nummer: 3TJ-14943-29 (3TJ1494329)
Kategorien: Allgemein
1995
FZR600R
1994
FZR600R
FZR400RR-SP
1992
FZR400RR-SP
Yamaha Motor Co., Ltd.
YAMAHA MOTOR EUROPE N.V.
Hansemannstraße 12, 41468 Neuss
Postfach 21 06 53, 41432 Neuss
Deutschland
https://global.yamaha-motor.com/
https://www.yamaha-motor.eu/de