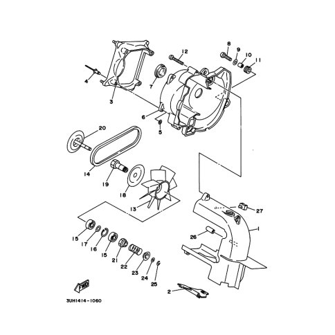
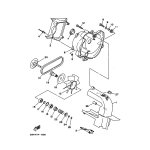
Artikelname: LUFTVERKLEIDUNG, ZYLINDER 1 (CUBIERTA DE PASO DE AIRE 1)
Hersteller: Yamaha
OEM Nummer: 3UH-E2651-00 (3UHE265100)
Kategorien: Allgemein
1992
XC150LC
Yamaha Motor Co., Ltd.
YAMAHA MOTOR EUROPE N.V.
Hansemannstraße 12, 41468 Neuss
Postfach 21 06 53, 41432 Neuss
Deutschland
https://global.yamaha-motor.com/
https://www.yamaha-motor.eu/de