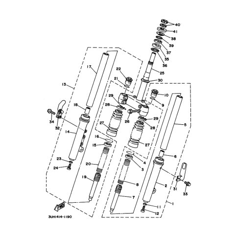
Artikelname: INNERES GABELBEINROHR 1 (TUBO INTERIOR COMPLETO 1)
Hersteller: Yamaha
OEM Nummer: 3UH-F3110-00 (3UHF311000)
Kategorien: Gabel
1992
XC150LC
Yamaha Motor Co., Ltd.
YAMAHA MOTOR EUROPE N.V.
Hansemannstraße 12, 41468 Neuss
Postfach 21 06 53, 41432 Neuss
Deutschland
https://global.yamaha-motor.com/
https://www.yamaha-motor.eu/de