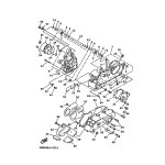
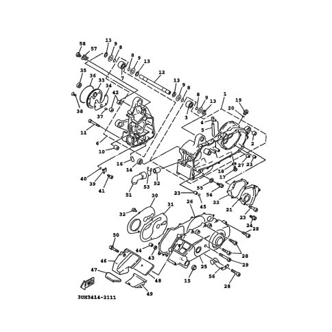
Artikelname: KURBELGEHAUSE 2 (CRANKCASE 2)
Hersteller: Yamaha
OEM Nummer: 3UH-W1512-01 (3UHW151201)
Kategorien: Kurbelgehäuse, Seitendeckel
1997
XC150LC
FLY ONE (XC150LC)
Yamaha Motor Co., Ltd.
YAMAHA MOTOR EUROPE N.V.
Hansemannstraße 12, 41468 Neuss
Postfach 21 06 53, 41432 Neuss
Deutschland
https://global.yamaha-motor.com/
https://www.yamaha-motor.eu/de