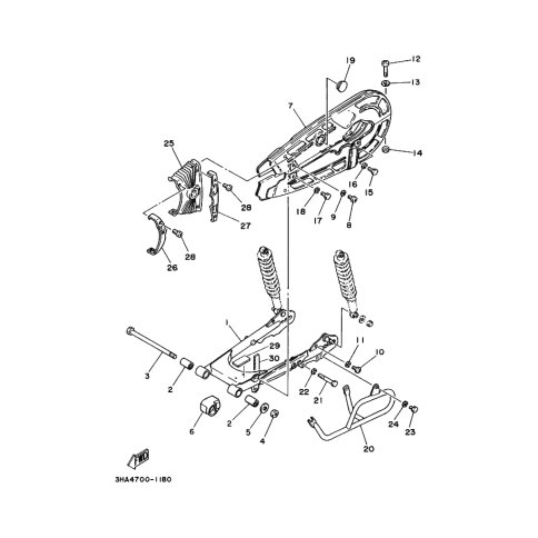
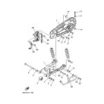
Artikelname: STAUBDECKEL (COVER, DUST)
Hersteller: Yamaha
OEM Nummer: 3V6-22325-00 (3V62232500)
Kategorien: Heck
1996
AG100F
Yamaha Motor Co., Ltd.
YAMAHA MOTOR EUROPE N.V.
Hansemannstraße 12, 41468 Neuss
Postfach 21 06 53, 41432 Neuss
Deutschland
https://global.yamaha-motor.com/
https://www.yamaha-motor.eu/de