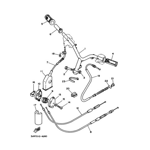
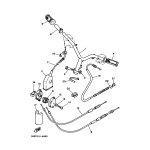
Artikelname: VERBINDUNGS STUCK (???,???????)
Hersteller: Yamaha
OEM Nummer: 3WF-26263-00 (3WF2626300)
Kategorien: Allgemein
1990
AXIS (YA90)
Yamaha Motor Co., Ltd.
YAMAHA MOTOR EUROPE N.V.
Hansemannstraße 12, 41468 Neuss
Postfach 21 06 53, 41432 Neuss
Deutschland
https://global.yamaha-motor.com/
https://www.yamaha-motor.eu/de