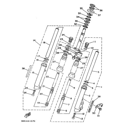
Artikelname: UNTERE KONSOLE KOMPL (UNDER BRACKET COMP)
Hersteller: Yamaha
OEM Nummer: 3WN-F3340-00-33 (3WNF33400033)
Kategorien: Gabel
1996
CR50Z
1991
CR50Z
Yamaha Motor Co., Ltd.
YAMAHA MOTOR EUROPE N.V.
Hansemannstraße 12, 41468 Neuss
Postfach 21 06 53, 41432 Neuss
Deutschland
https://global.yamaha-motor.com/
https://www.yamaha-motor.eu/de