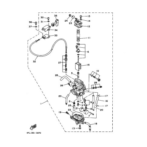
Artikelname: VENTIL, DROSSEL 1 (VALVE, THROTTLE 1)
Hersteller: Yamaha
OEM Nummer: 3XV-14112-10 (3XV1411210)
Kategorien: Vergaser
1997
TZR125
1995
TZR125
1993
TZR125
Yamaha Motor Co., Ltd.
YAMAHA MOTOR EUROPE N.V.
Hansemannstraße 12, 41468 Neuss
Postfach 21 06 53, 41432 Neuss
Deutschland
https://global.yamaha-motor.com/
https://www.yamaha-motor.eu/de