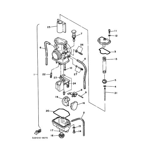
Artikelname: SCHWIMMER (FLOAT)
Hersteller: Yamaha
OEM Nummer: 3XV-14185-10 (3XV1418510)
Kategorien: Allgemein, Vergaser
1995
TZR250SPR
1994
YZ125
TZR250RSP
Yamaha Motor Co., Ltd.
YAMAHA MOTOR EUROPE N.V.
Hansemannstraße 12, 41468 Neuss
Postfach 21 06 53, 41432 Neuss
Deutschland
https://global.yamaha-motor.com/
https://www.yamaha-motor.eu/de