Artikelname: UNTERE KONSOLE KOMPL (UNDER BRACKET COMP)
Hersteller: Yamaha
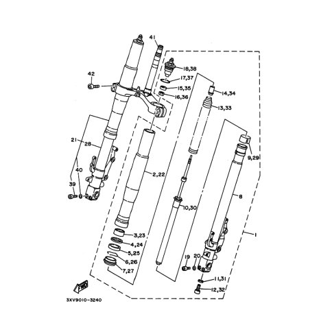
OEM Nummer: 3XV-23340-10 (3XV2334010)
Kategorien: Allgemein
1994
TZR250RS
1993
TZR250RS
TZR250R
Yamaha Motor Co., Ltd.
YAMAHA MOTOR EUROPE N.V.
Hansemannstraße 12, 41468 Neuss
Postfach 21 06 53, 41432 Neuss
Deutschland
https://global.yamaha-motor.com/
https://www.yamaha-motor.eu/de