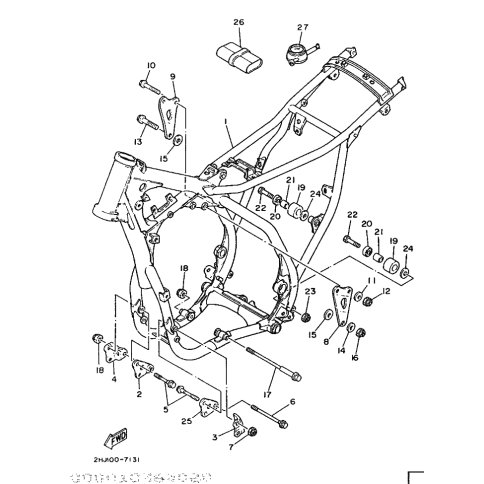
Artikelname: KONSOLE, V. OBEN 2 (BRACKET, FRONT UPPER 2)
Hersteller: Yamaha
OEM Nummer: 40T-21416-00 (40T2141600)
Kategorien: Rahmen
1992
WR500Z
1988
YZ490 (YZ490)
1987
YZ490T
Yamaha Motor Co., Ltd.
YAMAHA MOTOR EUROPE N.V.
Hansemannstraße 12, 41468 Neuss
Postfach 21 06 53, 41432 Neuss
Deutschland
https://global.yamaha-motor.com/
https://www.yamaha-motor.eu/de