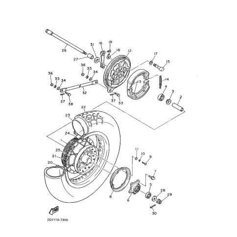
Artikelname: ZUGSTANGE (BAR, TENSION)
Hersteller: Yamaha
OEM Nummer: 42X-25371-02 (42X2537102)
Kategorien: Hinterrad
2001
VIRAGO 535 (XV535)
2000
VIRAGO 535 (XV535)
1999
VIRAGO (XV1100)
VIRAGO (XV535)
VIRAGO (XV1100S)
1998
VIRAGO (XV1100)
VIRAGO (XV535)
1997
VIRAGO (XV535)
VIRAGO (XV1100)
VIRAGO (XV535S)
VIRAGO (XV1100S)
VIRAGO 1100 (XV1100S)
VIRAGO 1100 (XV1100)
1996
VIRAGO 535 (XV535)
VIRAGO (XV535S)
VIRAGO (XV535)
VIRAGO (XV750)
VIRAGO (XV500S)
VIRAGO (XV1100)
VIRAGO (XV500)
Yamaha Motor Co., Ltd.
YAMAHA MOTOR EUROPE N.V.
Hansemannstraße 12, 41468 Neuss
Postfach 21 06 53, 41432 Neuss
Deutschland
https://global.yamaha-motor.com/
https://www.yamaha-motor.eu/de