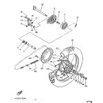
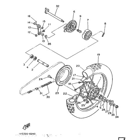
Artikelname: RADACHSE (AXLE, WHEEL)
Hersteller: Yamaha
OEM Nummer: 43G-25381-00 (43G2538100)
Kategorien: Hinterrad
1986
IT200S
Yamaha Motor Co., Ltd.
YAMAHA MOTOR EUROPE N.V.
Hansemannstraße 12, 41468 Neuss
Postfach 21 06 53, 41432 Neuss
Deutschland
https://global.yamaha-motor.com/
https://www.yamaha-motor.eu/de