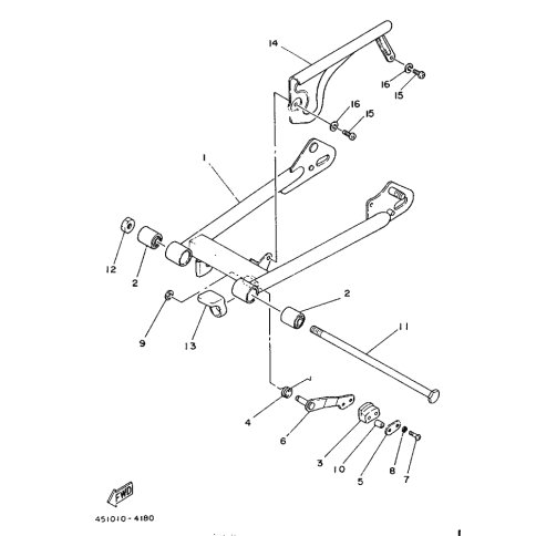
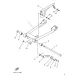
Artikelname: SPANNARM (ARM, TENSIONER)
Hersteller: Yamaha
OEM Nummer: 451-22179-00 (4512217900)
Kategorien: Heck
1987
TY80B (SUPPLEMENT -
Yamaha Motor Co., Ltd.
YAMAHA MOTOR EUROPE N.V.
Hansemannstraße 12, 41468 Neuss
Postfach 21 06 53, 41432 Neuss
Deutschland
https://global.yamaha-motor.com/
https://www.yamaha-motor.eu/de