Artikelname: NADELSATZ (NEEDLE VALVE SET)
Hersteller: Yamaha
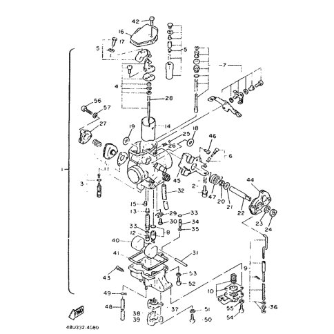
OEM Nummer: 48U-14107-28 (48U1410728)
Kategorien: Vergaser
1988
SR500
1987
SR500
Yamaha Motor Co., Ltd.
YAMAHA MOTOR EUROPE N.V.
Hansemannstraße 12, 41468 Neuss
Postfach 21 06 53, 41432 Neuss
Deutschland
https://global.yamaha-motor.com/
https://www.yamaha-motor.eu/de