Artikelname: PLEUELSTANGENGRUPPE (CONNECTING ROD ASSY)
Hersteller: Yamaha
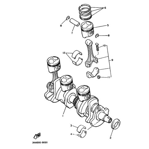
OEM Nummer: 49A-11650-00 (49A1165000)
Kategorien: Kurbelwelle & Kolben
1991
XJ600
1990
XJ600
1989
XJ600
Yamaha Motor Co., Ltd.
YAMAHA MOTOR EUROPE N.V.
Hansemannstraße 12, 41468 Neuss
Postfach 21 06 53, 41432 Neuss
Deutschland
https://global.yamaha-motor.com/
https://www.yamaha-motor.eu/de