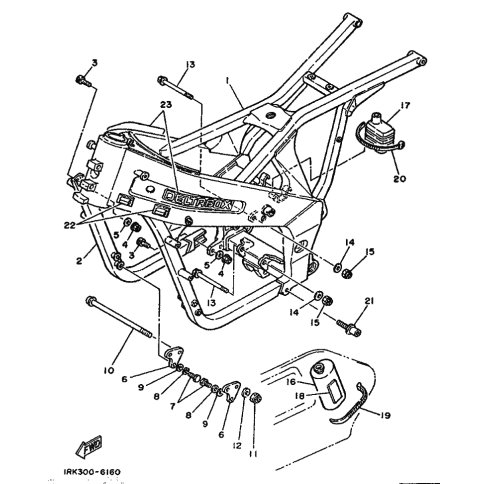
Artikelname: OLTANK (TANK, OIL)
Hersteller: Yamaha
OEM Nummer: 49V-21751-00 (49V2175100)
Kategorien: Rahmen
1989
TZ250
1988
TZ250
1987
TZ250
1986
TZ250
Yamaha Motor Co., Ltd.
YAMAHA MOTOR EUROPE N.V.
Hansemannstraße 12, 41468 Neuss
Postfach 21 06 53, 41432 Neuss
Deutschland
https://global.yamaha-motor.com/
https://www.yamaha-motor.eu/de