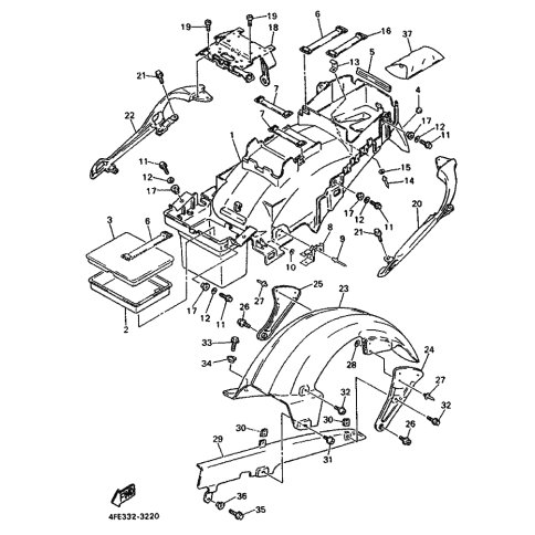
Artikelname: STUTZE, HINTEN
Hersteller: Yamaha
OEM Nummer: 4BH-21645-00-O2 (4BH2164500O2)
Kategorien: HINTERRADKOTFL
Yamaha Motor Co., Ltd.
YAMAHA MOTOR EUROPE N.V.
Hansemannstraße 12, 41468 Neuss
Postfach 21 06 53, 41432 Neuss
Deutschland
https://global.yamaha-motor.com/
https://www.yamaha-motor.eu/de