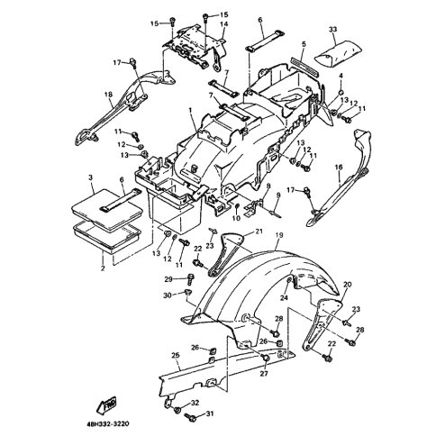
Artikelname: STUTZE 1
Hersteller: Yamaha
OEM Nummer: 4BH-2164F-0C (4BH2164F0C00)
Kategorien: HINTERRADKOTFL
Yamaha Motor Co., Ltd.
YAMAHA MOTOR EUROPE N.V.
Hansemannstraße 12, 41468 Neuss
Postfach 21 06 53, 41432 Neuss
Deutschland
https://global.yamaha-motor.com/
https://www.yamaha-motor.eu/de