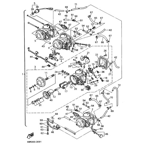
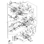
Artikelname: SCHEIBE (WASHER)
Hersteller: Yamaha
OEM Nummer: 4BR-14952-00 (4BR1495200)
Kategorien: Vergaser
1995
XJ600N
DIVERSION (XJ600S)
1994
XJ600N
DIVERSION (XJ600S)
1993
DIVERSION (XJ600S)
1992
DIVERSION (XJ600S)
Yamaha Motor Co., Ltd.
YAMAHA MOTOR EUROPE N.V.
Hansemannstraße 12, 41468 Neuss
Postfach 21 06 53, 41432 Neuss
Deutschland
https://global.yamaha-motor.com/
https://www.yamaha-motor.eu/de