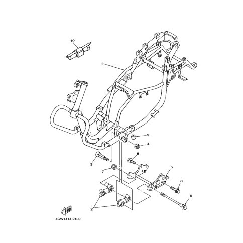
Artikelname: SCHRAUBE, MOTORAUFHANGUNG 1 (SCHRAUBE, MOTORAUFHANGUNG 1)
Hersteller: Yamaha
OEM Nummer: 4CW-F1481-00 (4CWF148100)
Kategorien: Rahmen, Allgemein
2003
XC125A
2001
XC125A
2000
CYGNUS (XC125A)
FLAME (XC125A)
1999
XC125TR
1998
MAJESTY 125 (YP125)
CYGNUS (XC125T)
1997
XC125TR
1996
XC125TR
CYGNUS (XC125TR)
1995
FLAME (XC125T)
CYGNUS (XC125T)
XC125T
1994
XC125T
Yamaha Motor Co., Ltd.
YAMAHA MOTOR EUROPE N.V.
Hansemannstraße 12, 41468 Neuss
Postfach 21 06 53, 41432 Neuss
Deutschland
https://global.yamaha-motor.com/
https://www.yamaha-motor.eu/de