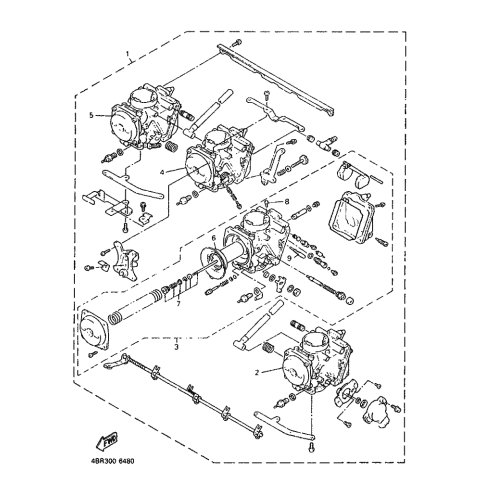
Artikelname: VERGASEREINHEIT (CARBURETOR ASSY)
Hersteller: Yamaha
OEM Nummer: 4DG-14900-20 (4DG1490020)
Kategorien: Alternative (Motor)
1996
DIVERSION (XJ600S)
XJ600N
Yamaha Motor Co., Ltd.
YAMAHA MOTOR EUROPE N.V.
Hansemannstraße 12, 41468 Neuss
Postfach 21 06 53, 41432 Neuss
Deutschland
https://global.yamaha-motor.com/
https://www.yamaha-motor.eu/de