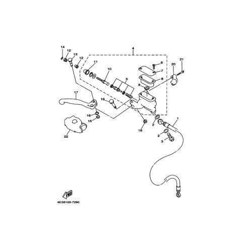
Artikelname: BREMSSCHLAUCH 1 (HOSE, BRAKE 1)
Hersteller: Yamaha
OEM Nummer: 4ES-25872-02 (4ES2587202)
Kategorien: Hauptbremszylinder
2000
YZ80LW
YZ80
1999
YZ80
YZ80LW
1998
YZ80LW
YZ80
1997
YZ80
YZ80LW
Yamaha Motor Co., Ltd.
YAMAHA MOTOR EUROPE N.V.
Hansemannstraße 12, 41468 Neuss
Postfach 21 06 53, 41432 Neuss
Deutschland
https://global.yamaha-motor.com/
https://www.yamaha-motor.eu/de