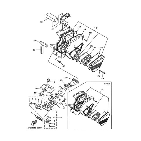
Artikelname: VERBINDUNG, VERGASER (JOINT, CARBURETOR)
Hersteller: Yamaha
OEM Nummer: 4EU-13565-00 (4EU1356500)
Kategorien: Aufnahme
1998
RZ50
Yamaha Motor Co., Ltd.
YAMAHA MOTOR EUROPE N.V.
Hansemannstraße 12, 41468 Neuss
Postfach 21 06 53, 41432 Neuss
Deutschland
https://global.yamaha-motor.com/
https://www.yamaha-motor.eu/de