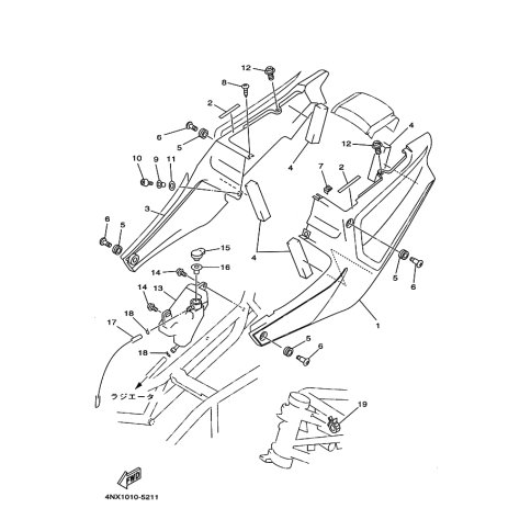
Artikelname: SCHUTZ, KRAFTSTOFFTANK (PROTECTOR, FUEL TANK)
Hersteller: Yamaha
OEM Nummer: 4EU-24141-00 (4EU2414100)
Kategorien: Kühlung 1, Seitenabdeckung, Seitendeckel
2001
YZF-R1 (YZF-R1)
2000
YZF-R1 (YZF-R1)
1999
TRX850
R1 (YZF-R1)
1998
TRX850
1997
TRX850
1996
TRX850
1995
TRX850
Yamaha Motor Co., Ltd.
YAMAHA MOTOR EUROPE N.V.
Hansemannstraße 12, 41468 Neuss
Postfach 21 06 53, 41432 Neuss
Deutschland
https://global.yamaha-motor.com/
https://www.yamaha-motor.eu/de