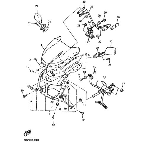
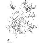
Artikelname: VERKLEIDUNG KOMPL (COWLING ASSY)
Hersteller: Yamaha
OEM Nummer: 4FM-Y2835-30-P0 (4FMY283530P0)
Kategorien: Kühlung 1
1994
YZF750R
YZF750SP
Yamaha Motor Co., Ltd.
YAMAHA MOTOR EUROPE N.V.
Hansemannstraße 12, 41468 Neuss
Postfach 21 06 53, 41432 Neuss
Deutschland
https://global.yamaha-motor.com/
https://www.yamaha-motor.eu/de