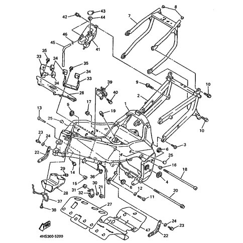
Artikelname: DECKEL (COVER)
Hersteller: Yamaha
OEM Nummer: 4FN-2117F-00 (4FN2117F00)
Kategorien: Rahmen
1996
YZF750SP
1995
YZF750SP
Yamaha Motor Co., Ltd.
YAMAHA MOTOR EUROPE N.V.
Hansemannstraße 12, 41468 Neuss
Postfach 21 06 53, 41432 Neuss
Deutschland
https://global.yamaha-motor.com/
https://www.yamaha-motor.eu/de