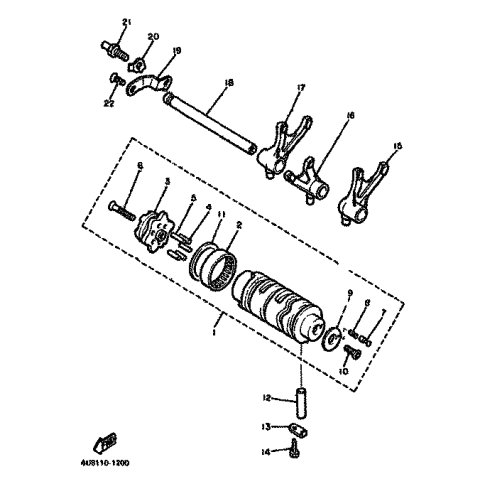
Artikelname: SCHALTGABEL 1 (FORK, SHIFT 1)
Hersteller: Yamaha
OEM Nummer: 4G0-18511-00 (4G01851100)
Kategorien: Schaltnocken & Gabel
1981
XJ550
Yamaha Motor Co., Ltd.
YAMAHA MOTOR EUROPE N.V.
Hansemannstraße 12, 41468 Neuss
Postfach 21 06 53, 41432 Neuss
Deutschland
https://global.yamaha-motor.com/
https://www.yamaha-motor.eu/de