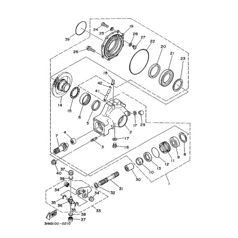
Artikelname: TELLERRAD KOMPL (RING GEAR COMP)
Hersteller: Yamaha
OEM Nummer: 4GB-46110-00 (4GB4611000)
Kategorien: Antriebswelle
1997
KODIAK 400 (YFM400FW)
BIG BEAR 350 (YFM350U)
WOLVERINE 350 (YFM350FW-X)
1996
KODIAK 400 (YFM400FW)
YFM350FW
BIG BEAR 350 (YFM350U)
WOLVERINE 350 (YFM350FW-X)
BIG BEAR 350 (YFM350FW)
YF400M-FW (YF400M-FW)
1995
KODIAK 400 (YFM400FW)
YF400M-FW (YF400M-FW)
1994
KODIAK 400 (YFM400FW)
1993
KODIAK 400 (YFM400FW)
Yamaha Motor Co., Ltd.
YAMAHA MOTOR EUROPE N.V.
Hansemannstraße 12, 41468 Neuss
Postfach 21 06 53, 41432 Neuss
Deutschland
https://global.yamaha-motor.com/
https://www.yamaha-motor.eu/de