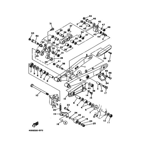
Artikelname: KETTENKASTEN (CASE, CHAIN)
Hersteller: Yamaha
OEM Nummer: 4GG-22311-20 (4GG2231120)
Kategorien: Heck
1996
TY250Z
Yamaha Motor Co., Ltd.
YAMAHA MOTOR EUROPE N.V.
Hansemannstraße 12, 41468 Neuss
Postfach 21 06 53, 41432 Neuss
Deutschland
https://global.yamaha-motor.com/
https://www.yamaha-motor.eu/de