Artikelname: VOLLKOLBENSATZ (PLUNGER KIT)
Hersteller: Yamaha
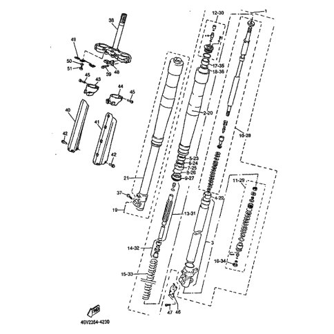
OEM Nummer: 4GV-F319K-00 (4GVF319K00)
Kategorien: Gabel
1998
TT600E
1997
SZR660
1996
TT600E
1995
SRZ660
1994
TT600E
Yamaha Motor Co., Ltd.
YAMAHA MOTOR EUROPE N.V.
Hansemannstraße 12, 41468 Neuss
Postfach 21 06 53, 41432 Neuss
Deutschland
https://global.yamaha-motor.com/
https://www.yamaha-motor.eu/de