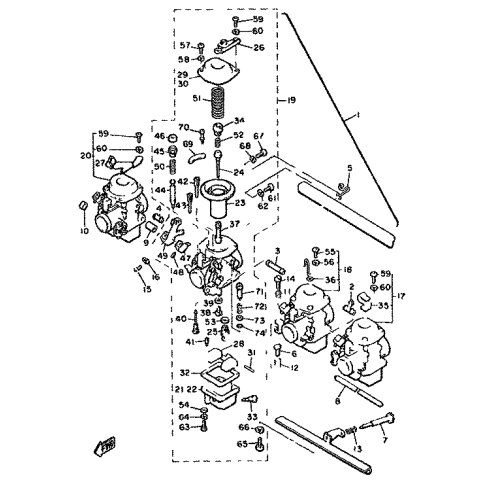
Artikelname: KLEMME, ROHR (CLIP, PIPE)
Hersteller: Yamaha
OEM Nummer: 4H7-14139-00 (4H71413900)
Kategorien: Vergaser
1980
XJ650
MAXIM (XJ650S)
Yamaha Motor Co., Ltd.
YAMAHA MOTOR EUROPE N.V.
Hansemannstraße 12, 41468 Neuss
Postfach 21 06 53, 41432 Neuss
Deutschland
https://global.yamaha-motor.com/
https://www.yamaha-motor.eu/de