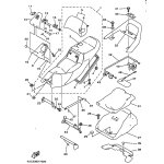
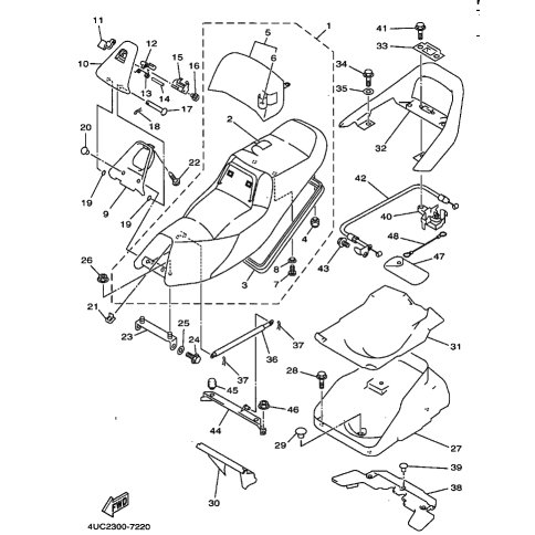
Artikelname: DECKEL, DOPPELSITZ (DECKEL, DOPPELSITZ)
Hersteller: Yamaha
OEM Nummer: 4HC-2470F-A0 (4HC2470FA0)
Kategorien: Sitzbank
1997
SKYLINER (YP250)
Yamaha Motor Co., Ltd.
YAMAHA MOTOR EUROPE N.V.
Hansemannstraße 12, 41468 Neuss
Postfach 21 06 53, 41432 Neuss
Deutschland
https://global.yamaha-motor.com/
https://www.yamaha-motor.eu/de