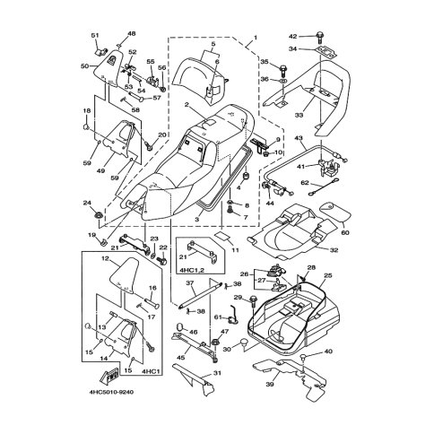
Artikelname: SITZBANK KOMPL (???????????)
Hersteller: Yamaha
OEM Nummer: 4HC-24730-01 (4HC2473001)
Kategorien: Blatt
1996
MAJESTY 250 (YP250)
Yamaha Motor Co., Ltd.
YAMAHA MOTOR EUROPE N.V.
Hansemannstraße 12, 41468 Neuss
Postfach 21 06 53, 41432 Neuss
Deutschland
https://global.yamaha-motor.com/
https://www.yamaha-motor.eu/de