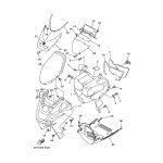
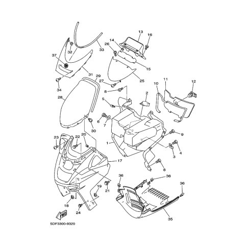
Artikelname: KAROSSERIE, VERKLEIDUNG (KAROSSERIE, VERKLEIDUNG)
Information: VDBM3
Hersteller: Yamaha
OEM Nummer: 4HC-28351-01-P4 (4HC2835101P4)
Kategorien: Allgemein, Abdeckung
1999
MAJESTY D (YP250D)
1998
MAJESTY 250 (YP250)
Yamaha Motor Co., Ltd.
YAMAHA MOTOR EUROPE N.V.
Hansemannstraße 12, 41468 Neuss
Postfach 21 06 53, 41432 Neuss
Deutschland
https://global.yamaha-motor.com/
https://www.yamaha-motor.eu/de