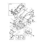
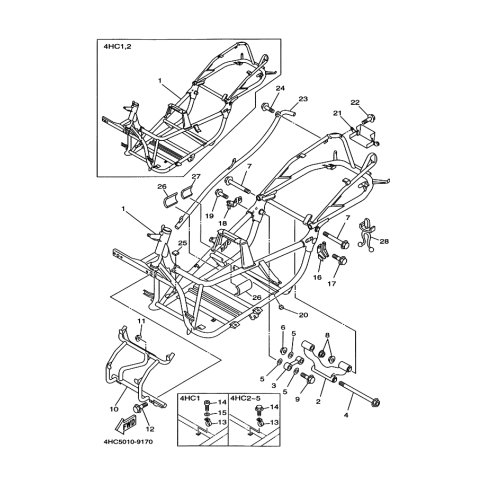
Artikelname: STUTZE 1 (??? 1)
Hersteller: Yamaha
OEM Nummer: 4HC-28356-01 (4HC2835601)
Kategorien: Rahmen
1999
MAJESTY D (YP250D)
MAJESTY 250 (YP250)
MAJESTY 250 (YP250S)
MAJESTY 250 (YP250A)
MAJESTY ABS (YP250A)
1998
MAJESTY 250 (YP250S)
MAJESTY 250 (YP250D)
MAJESTY 250 (YP250)
MAJESTY 250 (YP250A)
1997
MAJESTY 250 (YP250)
SKYLINER (YP250)
1996
MAJESTY 250 (YP250)
Yamaha Motor Co., Ltd.
YAMAHA MOTOR EUROPE N.V.
Hansemannstraße 12, 41468 Neuss
Postfach 21 06 53, 41432 Neuss
Deutschland
https://global.yamaha-motor.com/
https://www.yamaha-motor.eu/de