Artikelname: VORDERRAD-BREMSLICHTSCHALTE (?????????????????)
Hersteller: Yamaha
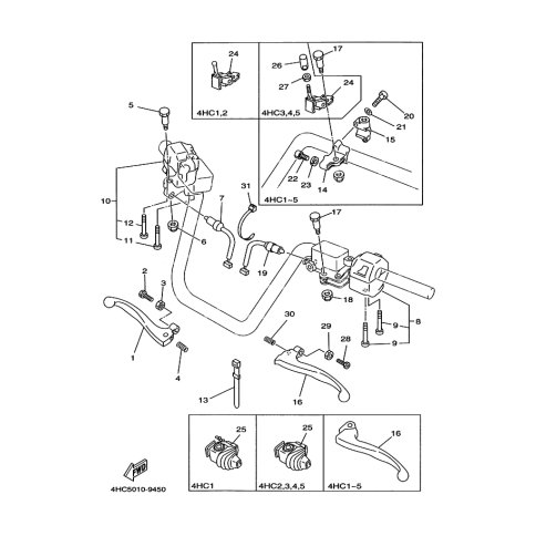
OEM Nummer: 4HC-83980-00 (4HC8398000)
Kategorien: Allgemein, Lenker & Kabel, Schalter & Hebel
1999
MAJESTY 250 (YP250)
1998
MAJESTY 250 (YP250)
1997
MAJESTY 250 (YP250)
SKYLINER (YP250)
1996
MAJESTY 250 (YP250)
1995
MAJESTY 250 (YP250)
Yamaha Motor Co., Ltd.
YAMAHA MOTOR EUROPE N.V.
Hansemannstraße 12, 41468 Neuss
Postfach 21 06 53, 41432 Neuss
Deutschland
https://global.yamaha-motor.com/
https://www.yamaha-motor.eu/de