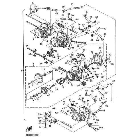
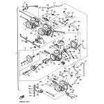
Artikelname: SCHLAUCH (HOSE)
Hersteller: Yamaha
OEM Nummer: 4HK-14987-00 (4HK1498700)
Kategorien: Vergaser
1994
XJ600N
DIVERSION (XJ600S)
1993
DIVERSION (XJ600S)
Yamaha Motor Co., Ltd.
YAMAHA MOTOR EUROPE N.V.
Hansemannstraße 12, 41468 Neuss
Postfach 21 06 53, 41432 Neuss
Deutschland
https://global.yamaha-motor.com/
https://www.yamaha-motor.eu/de