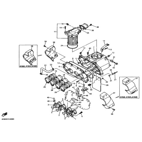
Artikelname: DECKEL 1 (COVER 1)
Hersteller: Yamaha
OEM Nummer: 4HM-14293-00 (4HM1429300)
Kategorien: Aufnahme
1999
XJR400R
1998
XJR400R
1996
XJR400R
XJR400R2
XJR400
1995
XJR400
XJR400R
1994
XJR400
1993
XJR400
Yamaha Motor Co., Ltd.
YAMAHA MOTOR EUROPE N.V.
Hansemannstraße 12, 41468 Neuss
Postfach 21 06 53, 41432 Neuss
Deutschland
https://global.yamaha-motor.com/
https://www.yamaha-motor.eu/de