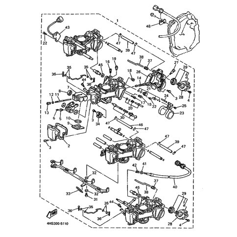
Artikelname: VERGASEREINHEIT (CARBURETOR ASSY)
Hersteller: Yamaha
OEM Nummer: 4HT-14900-10 (4HT1490010)
Kategorien: Vergaser
1996
YZF750SP
1995
YZF750SP
Yamaha Motor Co., Ltd.
YAMAHA MOTOR EUROPE N.V.
Hansemannstraße 12, 41468 Neuss
Postfach 21 06 53, 41432 Neuss
Deutschland
https://global.yamaha-motor.com/
https://www.yamaha-motor.eu/de