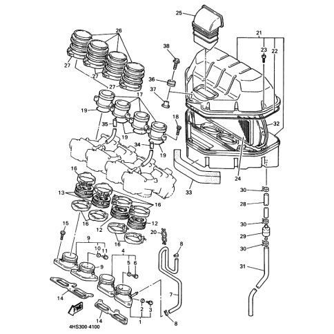
Artikelname: VERBINDUNG, VERGASER 3 (?????,????? 3)
Hersteller: Yamaha
OEM Nummer: 4JD-13597-00 (4JD1359700)
Kategorien: Aufnahme
1995
YZF750SP
1993
YZF750SP
Yamaha Motor Co., Ltd.
YAMAHA MOTOR EUROPE N.V.
Hansemannstraße 12, 41468 Neuss
Postfach 21 06 53, 41432 Neuss
Deutschland
https://global.yamaha-motor.com/
https://www.yamaha-motor.eu/de