Artikelname: DECKEL (COVER)
Hersteller: Yamaha
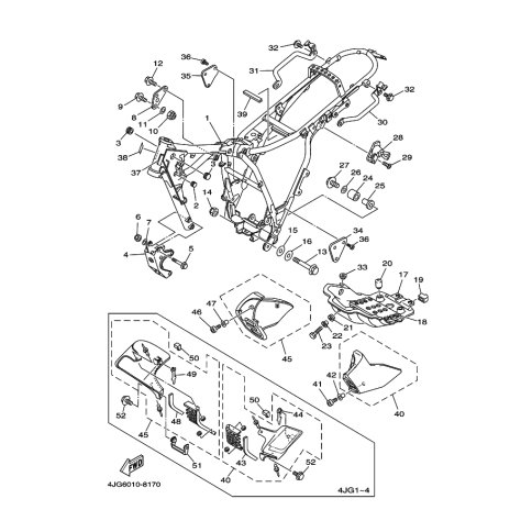
OEM Nummer: 4JG-2117F-00 (4JG2117F00)
Kategorien: Rahmen
2002
SEROW (XT225WE)
2000
SEROW (XT225WE)
1998
XT225WE
1997
XT225WE
1996
SEROW (XT225W)
1995
SEROW (XT225W)
1993
SEROW (XT225W)
Yamaha Motor Co., Ltd.
YAMAHA MOTOR EUROPE N.V.
Hansemannstraße 12, 41468 Neuss
Postfach 21 06 53, 41432 Neuss
Deutschland
https://global.yamaha-motor.com/
https://www.yamaha-motor.eu/de