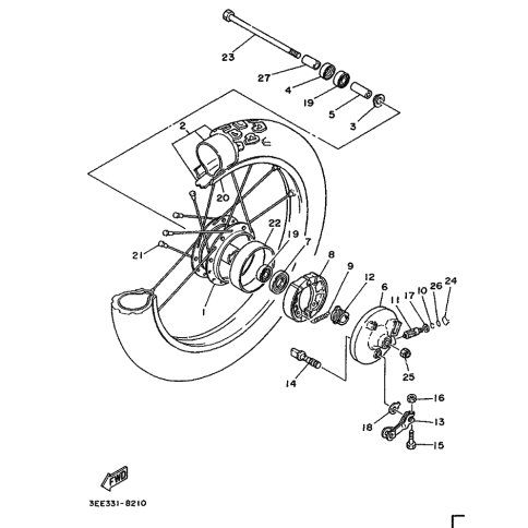
Artikelname: BREMSSCHUHSATZ (BRAKE SHOE SET)
Hersteller: Yamaha
OEM Nummer: 4K5-W2535-00 (4K5W253500)
Kategorien: Vorderrad
1988
FS1
Yamaha Motor Co., Ltd.
YAMAHA MOTOR EUROPE N.V.
Hansemannstraße 12, 41468 Neuss
Postfach 21 06 53, 41432 Neuss
Deutschland
https://global.yamaha-motor.com/
https://www.yamaha-motor.eu/de