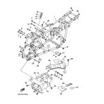
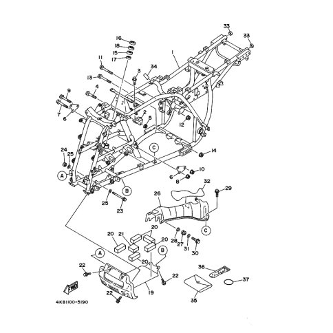
Artikelname: SCHUTZGLAS (PROTECTOR)
Hersteller: Yamaha
OEM Nummer: 4KB-2117G-00 (4KB2117G00)
Kategorien: Rahmen
1997
WOLVERINE 350 (YFM350FW-X)
1996
WOLVERINE 350 (YFM350FW-X)
Yamaha Motor Co., Ltd.
YAMAHA MOTOR EUROPE N.V.
Hansemannstraße 12, 41468 Neuss
Postfach 21 06 53, 41432 Neuss
Deutschland
https://global.yamaha-motor.com/
https://www.yamaha-motor.eu/de