Artikelname: SICHERUNGSMUTTER (NUT, LOCK)
Hersteller: Yamaha
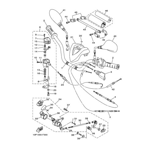
OEM Nummer: 4KB-26258-00 (4KB2625800)
Kategorien: Lenker, Griff & Kabel
2013
YFM350R (YFM350)
YFZ450 (YFZ450)
YFM250R (YFM250R)
YFM350R (YFM350R)
2012
YFM250R (YFM250R)
YFM350R (YFM350R)
YFM350R (YFM350)
YFZ450 (YFZ450)
2011
YFM350R (YFM350)
YFM350R (YFM350R)
YFM250R (YFM250R)
2010
YFM350R (YFM350)
YFM250R (YFM250R)
YFM350R (YFM350R)
2009
YFM350R (YFM350R)
YFM250R (YFM250R)
YFM350R (YFM350)
2008
YFM250R (YFM250R)
YFM350R (YFM350R)
YFM700R (YFM700R)
YFM250R (YFS250)
YFM350R (YFM350)
Yamaha Motor Co., Ltd.
YAMAHA MOTOR EUROPE N.V.
Hansemannstraße 12, 41468 Neuss
Postfach 21 06 53, 41432 Neuss
Deutschland
https://global.yamaha-motor.com/
https://www.yamaha-motor.eu/de