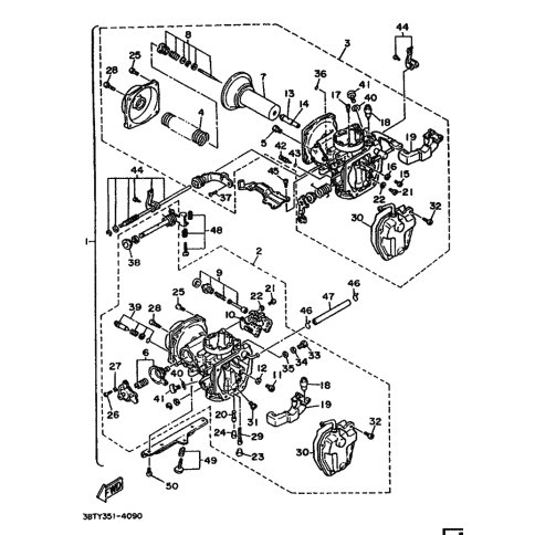
Artikelname: VERGASEREINHEIT (VERGASEREINHEIT)
Information: UR XV535S MODEL
Hersteller: Yamaha
OEM Nummer: 4MC-14900-10 (4MC1490010)
Kategorien: Vergaser
1994
VIRAGO (XV535S)
VIRAGO (XV535)
Yamaha Motor Co., Ltd.
YAMAHA MOTOR EUROPE N.V.
Hansemannstraße 12, 41468 Neuss
Postfach 21 06 53, 41432 Neuss
Deutschland
https://global.yamaha-motor.com/
https://www.yamaha-motor.eu/de