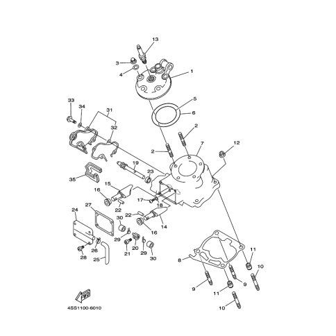
Artikelname: ZYLINDER 1 (CYLINDER 1)
Hersteller: Yamaha
OEM Nummer: 4SS-11311-01 (4SS1131101)
Kategorien: Zylinderkopf
1997
YZ125
Yamaha Motor Co., Ltd.
YAMAHA MOTOR EUROPE N.V.
Hansemannstraße 12, 41468 Neuss
Postfach 21 06 53, 41432 Neuss
Deutschland
https://global.yamaha-motor.com/
https://www.yamaha-motor.eu/de