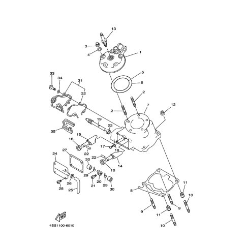
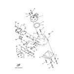
Artikelname: VENTIL 1 (VALVE 1)
Hersteller: Yamaha
OEM Nummer: 4SS-1131A-02 (4SS1131A02)
Kategorien: Zylinderkopf
1998
YZ125
Yamaha Motor Co., Ltd.
YAMAHA MOTOR EUROPE N.V.
Hansemannstraße 12, 41468 Neuss
Postfach 21 06 53, 41432 Neuss
Deutschland
https://global.yamaha-motor.com/
https://www.yamaha-motor.eu/de